锐意进取,专注匠心
服务热线:聂女士
13196539287
首页
关于我们
产品中心
技术优势
编号规则
性能参数
WCS系列
WHS系列
应用领域
新闻资讯
服务支持
联系我们
产品中心
PRODUCT CENTER
当前位置:
首页
>
产品中心
>
WHS系列
技术优势
编号规则
性能参数
WCS系列
WHS系列
WHS-III系列
产品特点
◆ 中空型礼帽型组合件
◆ 结构紧凑,中空大口径,便于穿线
◆ 输入输出需同轴,分直连和十字滑块连接
◆ 刚轮、柔轮两侧用深沟球轴承固定,刚性更好
◆ 定位精度和传动精度高,背隙小
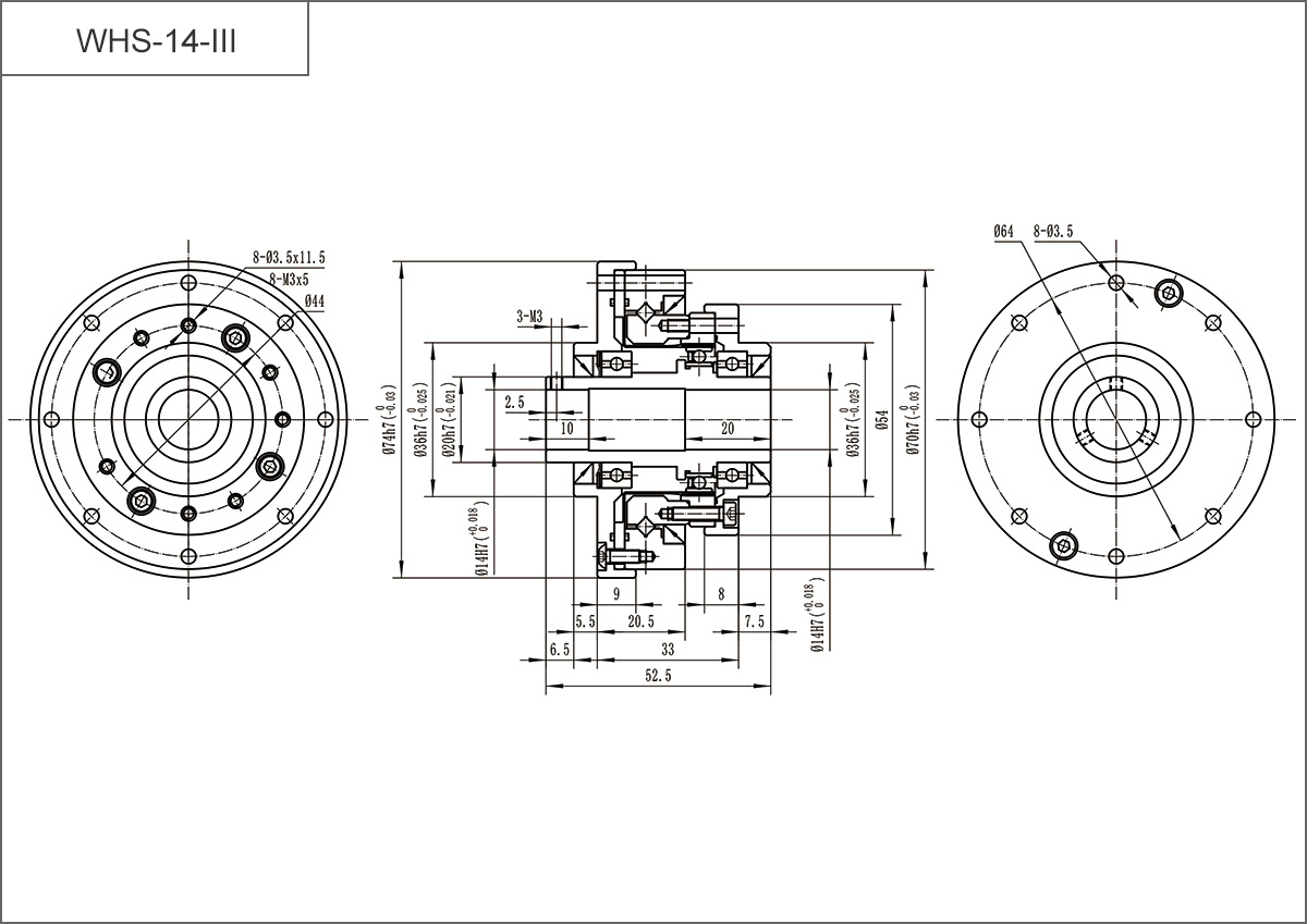
WHS-14-III总装图
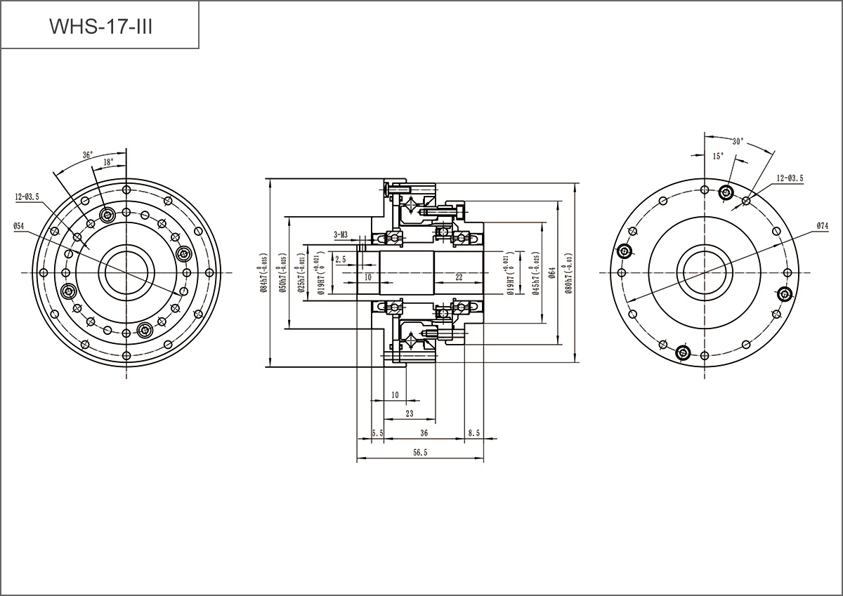
WHS-17-III总装图
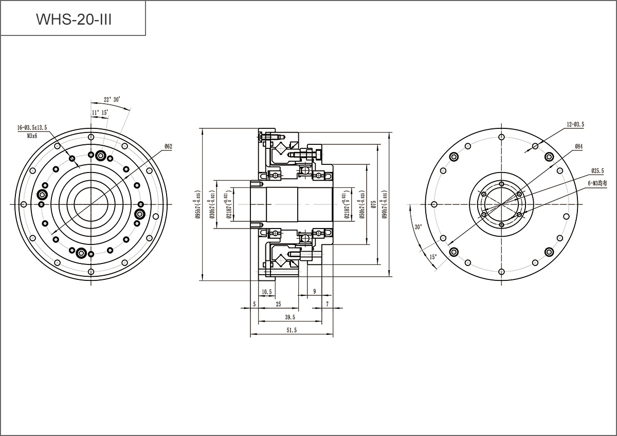
WHS-20-III总装图
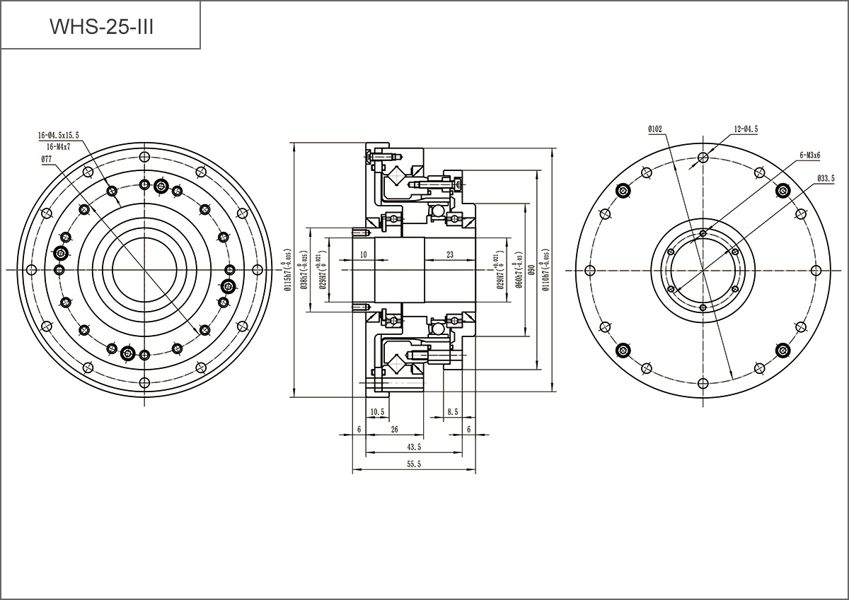
WHS-25-III总装图
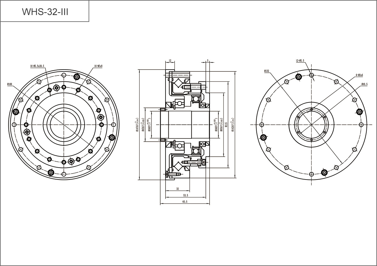
WHS-32-III总装图
上一篇:
WHS-II系列
下一篇:
WHS-IV系列
◇◇
相关内容
◇◇
WHS-I系列
WHS-II系列
WHS-III系列
WHS-IV系列