锐意进取,专注匠心
服务热线:聂女士
13196539287
首页
关于我们
产品中心
技术优势
编号规则
性能参数
WCS系列
WHS系列
应用领域
新闻资讯
服务支持
联系我们
产品中心
PRODUCT CENTER
当前位置:
首页
>
产品中心
>
WCS系列
技术优势
编号规则
性能参数
WCS系列
WHS系列
WCS-V系列
产品特点
◆ 一体式杯型组合件
◆ 结构紧凑,交叉滚子轴承直接输入
◆ 输入输出需同轴,分直连和十字滑块连接
◆ 定位精度和传动精度高,背隙小
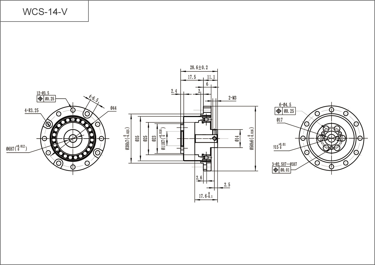
WCS-14-V总装图
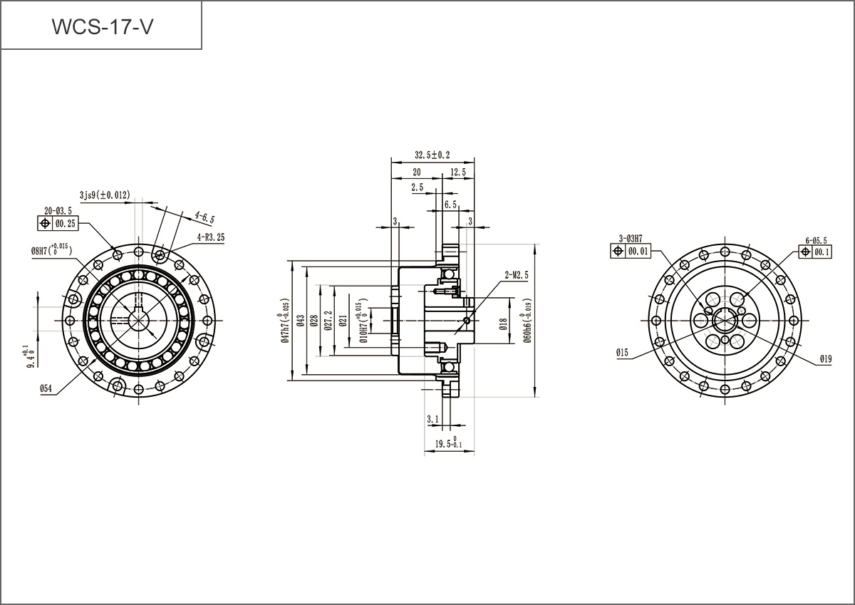
WCS-17-V总装图
WCS-20-V总装图
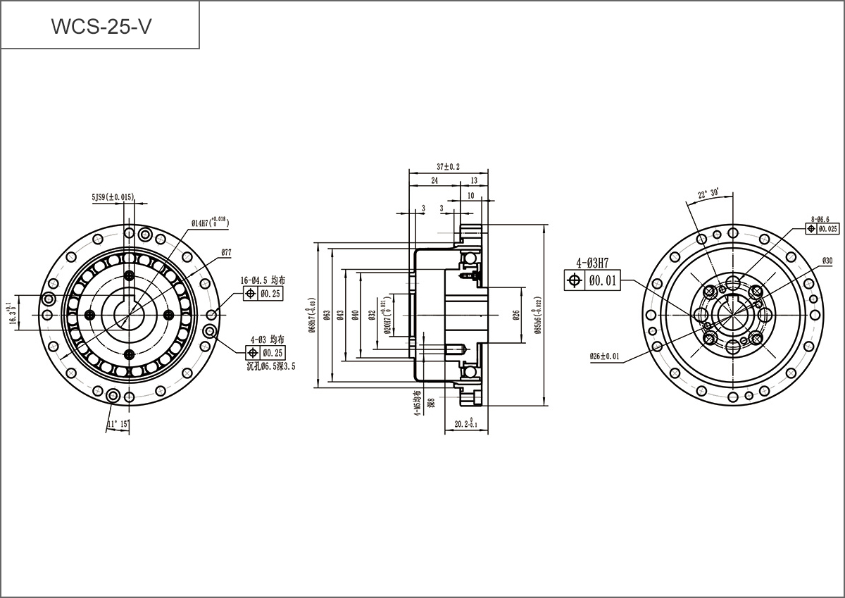
WCS-25-V总装图
WCS-32-V总装图
上一篇:
WCS-II系列
下一篇:
WHS-I系列
◇◇
相关内容
◇◇
WCS-I系列
WCS-II系列
WCS-V系列