锐意进取,专注匠心
服务热线:聂女士
13196539287
首页
关于我们
产品中心
技术优势
编号规则
性能参数
WCS系列
WHS系列
应用领域
新闻资讯
服务支持
联系我们
产品中心
PRODUCT CENTER
当前位置:
首页
>
产品中心
>
NHS系列
技术优势
编号规则
性能参数
WCS系列
WHS系列
NHS-Ⅳ系列
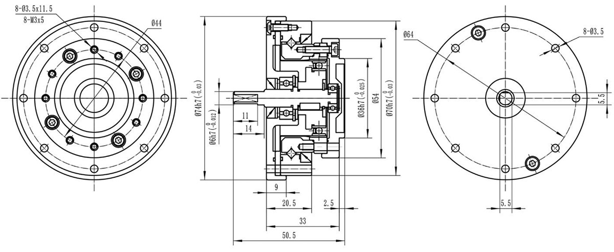
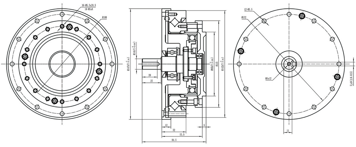
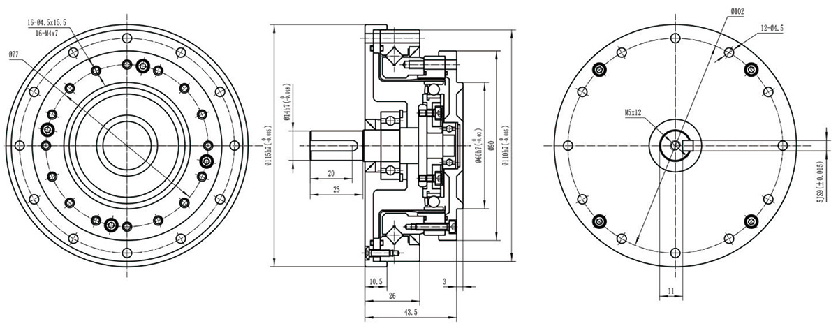
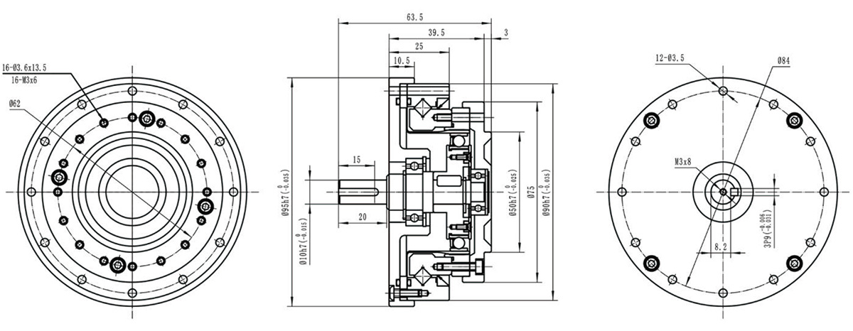
产品特点
◆ 带轴输入礼帽型
◆ 结构紧凑,多种连接输入方式
◆ 输入输出需同轴,分直连和十字滑块连接
◆ 刚轮、柔轮两侧用深沟球轴承固定,刚性更好
◆ 定位精度和传动精度高,背隙小
NHS-14-XX-Ⅳ总装图
NHS-117-XX-Ⅳ总装图
NHS-20-XX-Ⅳ总装图
NHS-25-XX-Ⅳ总装图
NHS-32-XX-Ⅳ总装图
上一篇:
NHS-Ⅲ系列
下一篇:
WCS-I系列
◇◇
相关内容
◇◇
NHS-Ⅰ系列
NHS-Ⅱ系列
NHS-Ⅲ系列
NHS-Ⅳ系列